0
0
phone-icon
0671756413 Заказать звонок

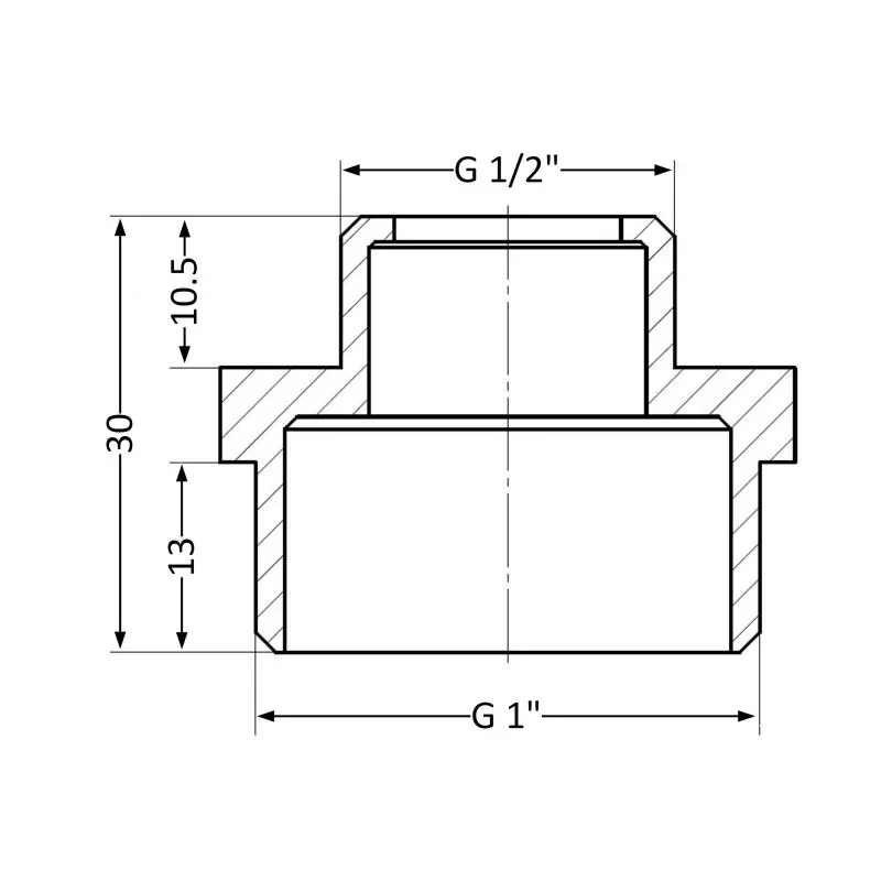
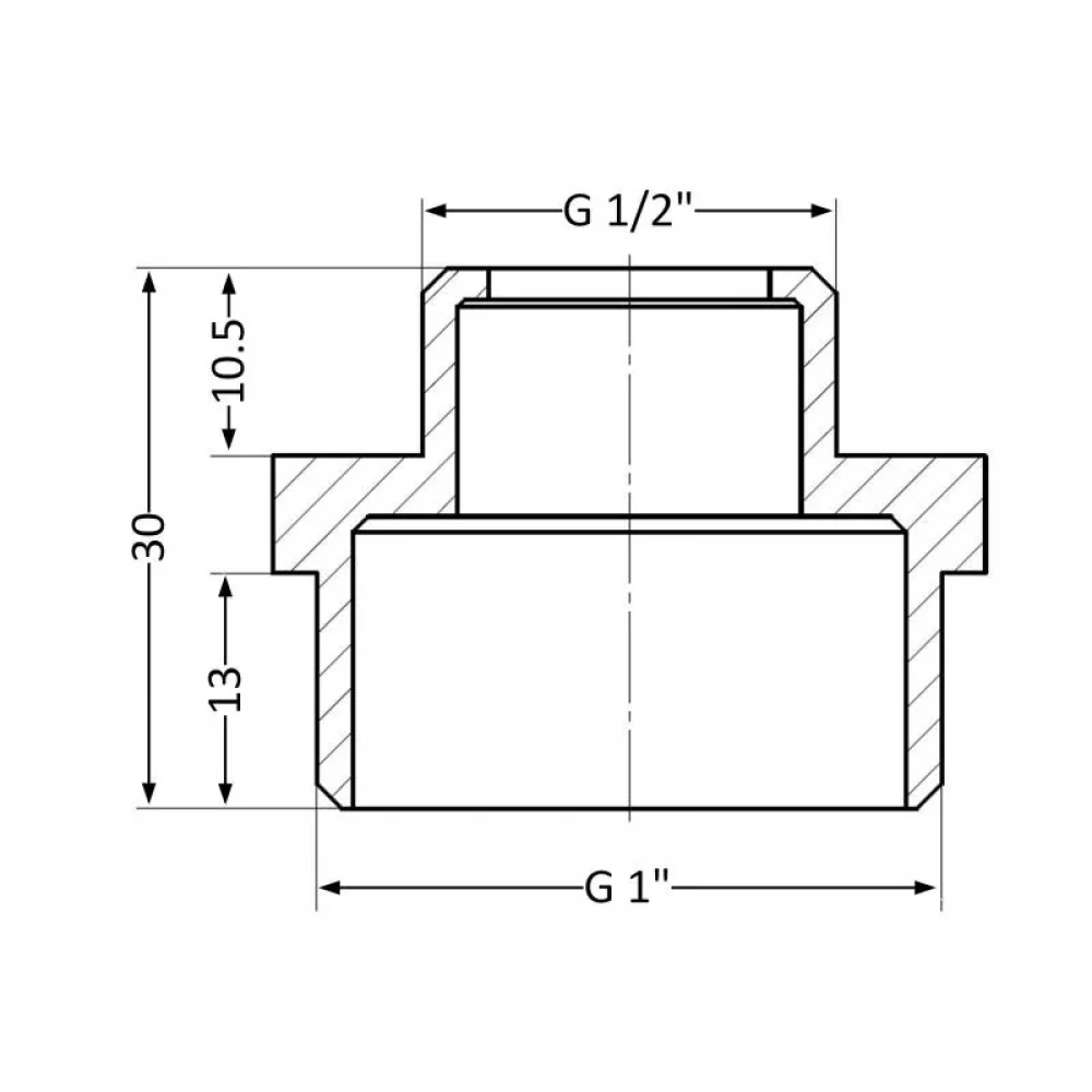
Ниппель SD Plus 1"х1/2" НР SD4082515

Отзывы:
(0)
  • Производитель: SD Plus
  • Код Товара: SD4082515
  • Артикул: SD4082515
  • Наличие: В наличии
  • На складі SD, шт 52

    Количество, которое можно забрать завтра или каждый четверг

    Самовывоз возможен в четверг (13.11)
79 грн.
Купить в один клик
Введите номер телефона и мы перезвоним
Основные характеристики
Все характеристики
Артикул: SD4082515
Вес нетто, кг: 0,063
Габаритные размеры изделия (ШхГхВ), мм: 34х34х32
Гарантия: 12 месяцев
Материал: Латунь
  • Обзор товара
  • Характеристики
  • Отзывов (0)
  • Вопросы (0)

Ниппель SD Plus 1"х1/2" НР SD4082515: надежное соединение для ваших систем

Описание продукта

SD4082515 – это высококачественный латунный ниппель от известного производителя SD Plus. Этот ниппель предназначен для надежного и герметичного соединения труб с разным диаметром резьбы. Конкретно, данный ниппель имеет резьбу 1" с одной стороны и 1/2" с другой стороны, обе наружные (НР). Изготовленный из латуни, Ниппель SD Plus 1"х1/2" НР SD4082515 обладает высокой устойчивостью к коррозии, перепадам температур и давления, что гарантирует его долговечность и надежность в системах водоснабжения и отопления. SD Plus зарекомендовал себя как производитель качественной и надежной сантехники.

Применение

SD4082515 идеально подходит для использования в системах водоснабжения, отопления, а также в других инженерных сетях, где необходимо соединить трубы с разным диаметром резьбы. Он может применяться как в жилых домах и квартирах, так и в промышленных объектах. Ниппель SD Plus 1"х1/2" НР SD4082515 станет незаменимым элементом при монтаже сантехнического оборудования в ванной комнате, кухне или котельной, обеспечивая герметичное и надежное соединение.

Преимущества

  • Изготовлен из высококачественной латуни, устойчивой к коррозии.
  • Обеспечивает надежное и герметичное соединение труб.
  • Легкий и быстрый монтаж, не требующий специальных инструментов.
  • Широкий диапазон применения в различных системах водоснабжения и отопления.
  • Долговечность и надежность от проверенного бренда SD Plus.
  • Соответствует всем стандартам качества и безопасности.
  • Идеальное решение для профессионального и бытового применения.

Инструкция по использованию

Для установки SD4082515, выполните следующие шаги:

  1. Убедитесь, что резьбы на соединяемых трубах чистые и не повреждены.
  2. Нанесите герметик для резьбовых соединений (например, ленту ФУМ или анаэробный герметик) на резьбу ниппеля.
  3. Вкрутите ниппель в одну из труб, затягивая его ключом до плотного соединения.
  4. Вкрутите вторую трубу в другую резьбу ниппеля, также затягивая ключом.
  5. Проверьте соединение на наличие утечек, подав воду в систему.
  6. При обнаружении утечек, подтяните соединение или повторите процедуру с новым герметиком.

Почему выбирают этот товар?

SD4082515 – это оптимальный выбор для тех, кто ценит надежность и долговечность сантехнических соединений. Изготовленный из качественной латуни, Ниппель SD Plus 1"х1/2" НР SD4082515 обеспечивает герметичность и устойчивость к коррозии, что гарантирует его долгий срок службы. Бренд SD Plus известен своим ответственным подходом к производству сантехники и положительными отзывами пользователей. Выбирая этот ниппель, вы выбираете качество и уверенность в надежности вашей системы водоснабжения или отопления. Он станет надежным элементом вашей сантехники.

Закажите сейчас в Santeco!

Закажите Ниппель SD Plus 1"х1/2" НР SD4082515 сейчас и наслаждайтесь комфортом и надежностью вашей сантехнической системы!

Доставка и самовывоз

Доставка: Если товар на складе, отправка Новой Почтой — ежедневно, кроме выходных; Rozetka Delivery, Укрпочтой и Meest — по вторникам и пятницам. Если товар в магазине, ежедневно любой службой доставки!
Самовывоз: Если товар на складе — во вторник и пятницу; если товар в магазине — в день заказа в удобное для вас время!

Характеристики
Артикул SD4082515
Вес нетто, кг 0,063
Габаритные размеры изделия (ШхГхВ), мм 34х34х32
Гарантия 12 месяцев
Материал Латунь
Серия SD408
Страна регистрации бренда Китай
Страна-производитель Китай
Тип изделия Ниппель редукционный
Вид підключення Резьба
Різьба Наружная/Наружная
Размер подключения 1"x1/2"
Отзывов (0)

Нет отзывов об этом товаре.

Вопросы (0)
       

Нет вопросов о данном товаре, станьте первым и задайте свой вопрос.

       
Самовывоз – г. Ровно!

Не платите за доставку, заберите заказ сами!

Наложка - без комиссии!

Наложенный платеж Новой почты без комиссии за перевод!

Rozetka Delivery!

Доставка в магазины Розетки за 49 грн!

Гарантия возврата

Простой возврат товара